
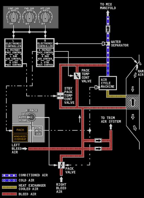
| R ELECTRONIC CONTROLLER |
| R PRIMARY PACK CONTROL |
| R RAM AIR CONTROL |
| L STBY PACK CONTROL |
| L ELECTRONIC CONTROLLER |
| L PRIMARY PACK CONTROL |
| L RAM AIR CONTROL |
| R STBY PACK CONTROL |
| TO MIX MANIFOLD |
| WATER SEPERATOR |
| RAM AIR |
| AIR CYCLE MACHINE |
| TO TRIM AIR SYSTEM |
| PACK TEMP CONTROL VALVE |
| STBY PACK TEMP CONT VALVE |
| PACK VALVE |
| LEFT BLEED AIR |
| RIGHT BLEED AIR |
| CONDITIONED AIR |
| COLD AIR |
| HEAT EXCHANGER COOLED AIR |
| BLEED AIR |